7759
Без выходных
с 8:30 до 19:00
КАТАЛОГ
    ИНФОРМАЦИЯ
    График работы:
    7 января — выходной
    -2%
    При заказе от 500 рублей дополнительная скидка!

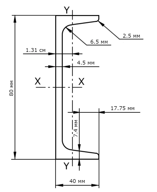
    Швеллер стальной №8П 80 мм, цена за 1 м.п.

    Топ продаж
    В наличии
    Код:
    57803677
    Код скопирован
    Оценка: 5 (1 отзыв) 1
    26,90 руб./м.п.
    Самовывоз сегодня на
    6 складах
    Доставка
    по Минску и РБ
    Рассрочка
    card
    Халва
    2 мес.
    card
    Черепаха
    8 мес.
    card
    Карта покупок
    2 мес.
    card
    Карта FUN
    3 мес.
    Смотреть подробнее
    по карте до 8 мес.
    Возврат
    до 100 календ. дней
    Стоимость одного нестандартного технического реза швеллера составляет 15% от стоимости м.п.
    • Описание товара
    • Отзывы (1)
    Швеллер горячекатаный и гнутый стальной N8П применяются в машиностроении и вагоностроении для создания рам и каркасов; в строительстве для армирования железобетонных конструкций, для изготовления каркасов строений, перекрытий, пандусов, при строительстве перекрытий пролетов многоэтажных и каркасных сооружений. Цена за 1 м.п.

    Характеристики

    Номер:
    № 8
    Серия:
    П (с параллельными полками)
    Ширина:
    80 мм
    Длина:
    6 м
    Высота полки:
    40 мм
    Вес 1 метра погонного:
    7,05 кг
    Сталь:
    Ст3
    Страна производства:
    Россия
    Производитель:
    ООО "Торговый дом ММК", 455019, Челябинская обл., г. Магнитогорск, ул. Кирова, д. 76

    Швеллер необходим для того, чтобы сделать конструкцию более жесткой и устойчивой, он хорошо работает на изгиб, способен воспринимать всевозможные нагрузки. Потому из-за своей большой несущей способности он и используется практически во всех отраслях промышленности.

    В зависимости от внешнего вида параллельных полок швеллер можно разделить на:
    • С уклоном внутренних граней полок – обозначается буквой «У».

    • С параллельными гранями полок – обозначается буквой «П».

    Кроме того, каждый швеллер стальной обозначается цифрами – 5; 6,5; 8; 10; 12; 14; 16; 18; 20; 22; 24 и так далее. Эта цифра отображает его ширину в сантиметрах. Например, швеллер 14 П: ширина — 140 мм, параллельные грани полок; 8 У: ширина — 80 мм, грани полок имеют уклон.

    Написать отзыв
    Отзывы
    Саша (мастер), 17 мая 2022
    Оценка: 5
    Швеллер изготовлен из качественной стали. Все четко по стандарту. Размеры и вес соответствует заявленному. Берем здесь не первый раз, никогда никаких нареканий. Вес всегда отходит
    Нашли ошибку?  Выделите, пожалуйста, текст с ошибкой и нажмите Ctrl+Enter
    Сообщить об ошибке на странице
    Выделенный текст:
    подробной информацией можно обратиться напрямую к грузчикам по номеру 8 (033) 604-71-08 мс.
    Отправить
    Благодарим, что помогаете нам стать лучше! Мы обязательно рассмотрим ваше замечание. Всего вам доброго!