7759
Без выходных
с 8:30 до 19:00
КАТАЛОГ
    ИНФОРМАЦИЯ
    -2%
    При заказе от 500 рублей дополнительная скидка!

    Труба фановая для унитаза Ани Пласт (W4228)

    Новинка
    В наличии
    Код:
    65410194
    Код скопирован
    14,95 руб./шт.
    Самовывоз сегодня на
    6 складах
    Доставка
    по Минску и РБ
    Рассрочка
    card
    Халва
    2 мес.
    card
    Черепаха
    8 мес.
    card
    Карта покупок
    2 мес.
    card
    Карта FUN
    3 мес.
    Смотреть подробнее
    по карте до 8 мес.
    Возврат
    до 100 календ. дней
    • Описание товара
    • Отзывы
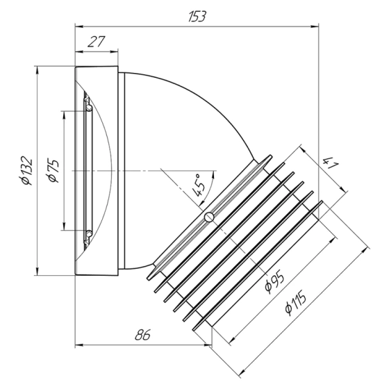
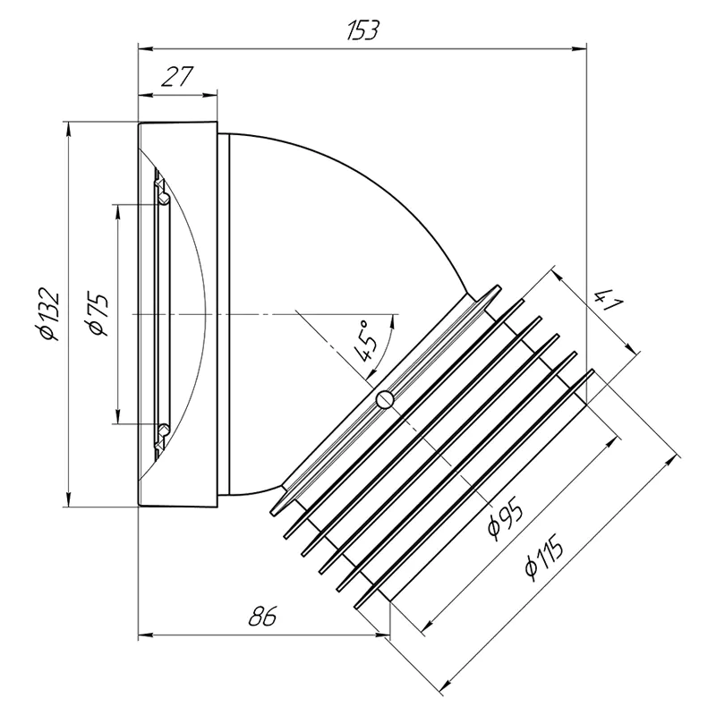
    Короткая фановая труба АНИ Пласт W4228 110 мм с углом 45° предназначена для подключения унитаза к канализационной системе с использованием чугунных труб диаметром 110 мм. Благодаря компактной длине и углу изгиба 45 градусов труба идеально подходит для монтажа в ограниченном пространстве и позволяет значительно изменить направление выпуска унитаза. Изделие выполнено из прочного полипропилена, устойчивого к агрессивным средам и перепадам температур, что обеспечивает герметичное и надёжное соединение.

    Характеристики

    Страна производства:
    Россия
    Производитель:
    ООО "АНИ пласт", 143180, Московская обл., г. Звенигород, пр. Проектируемый, вл. 29, оф. 19
    Импортер:
    ОДО "Снабстройсервис", г. Минск, ул. Скрыганова, 6/4-8
    Преимущества фановой трубы АНИ Пласт W4228:
    • Совместимость с чугунными канализационными трубами диаметром 110 мм.
    • Компактная длина для монтажа в стеснённых условиях.
    • Угол 45° для значительного изменения направления выпуска унитаза.
    • Герметичное и надёжное соединение.
    • Высокая прочность и долговечность материала.
    • Простота и удобство установки.
    Написать отзыв
    Отзывы
    Ваш отзыв будет первым
    Нашли ошибку?  Выделите, пожалуйста, текст с ошибкой и нажмите Ctrl+Enter
    Сообщить об ошибке на странице
    Выделенный текст:
    подробной информацией можно обратиться напрямую к грузчикам по номеру 8 (033) 604-71-08 мс.
    Отправить
    Благодарим, что помогаете нам стать лучше! Мы обязательно рассмотрим ваше замечание. Всего вам доброго!